LEIDITECH ULC33CP8 超低电容ESD,保护千兆网接口, 可替代SEMTECH型号UCLAMP3312T
随着物联网时代来临,千兆以太网已经发展成为主流网络技术,我们在享受快速网络带来的便捷时,也需要对其进行静电保护,ULC33CP8是雷卯研发的专门设计保护千兆以太网接口不受静电放电损坏。 这颗料也完全可以替代SEMTECH的UCLAMP3312T,同时交期快,价格更好,电性能更优。比较如下:
Leiditech ULC33CP8 参数:
IEC61000-4-2 (ESD) ±30kV (air), ±30kV (contact)
封装:DFN2010 (2.0*1.0mm)
VRWM: 3.3V
IPP:13A (8/20μs)
VC:7V
Ppp: 200W
适用于:10/100/1000以太网,集成磁件/RJ-45连接器,局域网/广域网设备,安全摄像头,工业控制,外围设备,笔记本/台式电脑
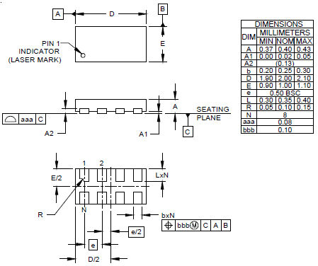
封装尺寸图:
Semtech UCLAMP3312T参数:
IEC61000-4-2 (ESD) ±30kV (air), ±30kV (contact)
封装:SLP2010N8T (2.0*1.0mm)
VRWM: 3.3v
IPP:10A (8/20μs)
VC:5.6V
Ppp: 100W
低电容:1.3 PF
适用于:10/100/1000以太网,集成磁件/RJ-45连接器,局域网/广域网设备,安全摄像头,工业控制,笔记本/台式电脑
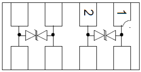
内部结构图:
封装尺寸图:
判断ESD的优劣,看如下参数:
1. 防静电能力,这两颗都能达到目前最高防静电等级+—30kv。
2. 看ESD的抗浪涌IPP能力,8/20us 测试条件下,LEIDITECH的ULC33CP8 IPP是13A,Semtech是10A. 可见上海雷卯Leiditech的芯片抗浪涌等级更高。
3. 看电容,LEIDITECH的ULC33CP8是超低电容,只有0.4pf, Semtech是1.3pf.
雷卯品牌LEIDITECH,防雷防静电元器件和方案专业供应商。

