USB3.0 /TYPE-C接口静电保护六路器件
Leiditech ULC0568KQ为一款集成式USB3.0静电保护二极管,USB3.0放一颗ULC0568KQ即可完成ESD保护。ULC0568KQ可以做为以下品牌国产替代理想选择:Amazing(AZ1065-06F,AZ1165-06F),Bourns(CDDFN10-0506N),AOS(AOZ8936DI,AOZ8937DI)等品牌,ULC0568KQ与这些型号完全PIN TO PIN。
1. ULC0568KQ管脚定义及封装


封装是DFN4120 (4.1×2.0×0.55mm), DFN封装有助于减小结电容,并很好的与数据线连接,减少引线电感。
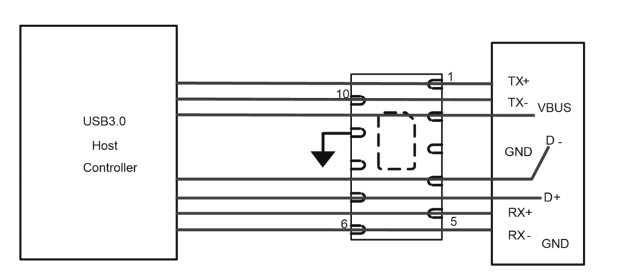
管脚定义也是考虑到PCB布线的方便,可以参考下图做差分布线,走线比较流畅。
2、应用
l USB3.0接口 ESD保护
l HDMI1.4 /2.0 接口ESD保护
l 各种高速数据接口保护(SATA,DVI ,PCI,DVI )
3、性能参数
l 低结电容:典型值0.3PF
l 地漏电流,实测电流500nA
l Vrwm=5V
l – IEC 61000-4-2 (ESD): 空气±25kV, 接触 ±20kV
l – IEC61000-4-5 (8/20μs) : 4A
4、USB3.0方案应用
方案优点:USB3.0提供5.0Gbps的传输速度,本方案采用单颗器件防护,节约空间, 保证信号完整性,配置共模电感,可滤除共模干扰,满足IEC61000-4-2,等级4,接触放电25kV,空气放电20kV
方案配置元件型号如下,

方案配置元件型号如下,
如需更多接口防护方案请关注上海雷卯公众号或联系EMC小哥。
上海雷卯专业研发销售ESD,TVS,TSS,GDT,MOV,MOSFET,Zener,电感等产品。雷卯致力于为客户提供高品质产品,以保护电路免受静电干扰和电压波动的影响。雷卯拥有一支经验丰富的研发团队,能够根据客户需求提供个性化定制服务,为客户提供最优质的解决方案。
