By LEIDITECH | 13 June 2023 | 0 评论
LEIDITECH ULC33CP8 超低电容ESD,雷电浪涌防护,高速信号保护 可替代Littelfuse型号SP3312TUTG
随着物联网时代来临,千兆以太网已经发展成为主流网络技术,我们在享受快速网络带来的便捷时,也需要对其进行静电保护,ULC33CP8是雷卯研发的专门设计保护千兆以太网接口不受静电放电损坏。 这颗料可以替代Littelfuse的SP3312TUTG,电性性能上相媲美,交期快,价格更好,比较如下:
Leiditech ULC33CP8 参数:
IEC61000-4-2 (ESD) ±30kV (air), ±30kV (contact)
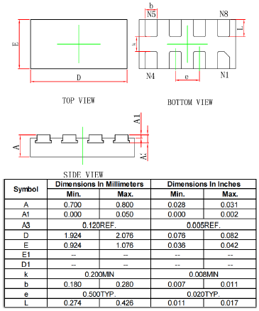
封装:DFN2010 (2.0*1.0mm)
VRWM: 3.3V
IPP:13A (8/20μs)
VC:7V
Ppp: 200W
适用于:10/100/1000以太网,集成磁件/RJ-45连接器,局域网/广域网设备,安全摄像头,工业控制,外围设备,笔记本/台式电脑
Littelfuse SP3312TUTG参数:
IEC61000-4-2 (ESD) ±30kV (air), ±30kV (contact)
封装:μDFN-08 (2.0*1.0mm)
VRWM: 3.3v
IPP:15A (8/20μs)
VC: 6V
Ppp: 250W
超低电容:0.3 PF
适用于:10/100/1000以太网,集成磁件/RJ-45连接器,局域网/广域网设备,安全摄像头,工业控制,笔记本/台式电脑
内部结构图:
封装尺寸图:
雷卯品牌LEIDITECH,防雷防静电元器件和方案专业供应商。
发表评论
您的电子邮件地址将不会被发送邮件。*为必填字段标记


