By LEIDITECH | 13 June 2023 | 0 评论
TPD4S012DRYR 国产替代对比解析
一般的USB 保护器件封装满足不了要求,而且只是保护两路IO 和Vbus,TPD4S012DRYR是一颗专门用于USB OTG的需要小体积的保护器件,可以同时保护3路高速IO和Vbus,目前非常缺货。
参数介绍
现在雷卯推出ULC051510TP6完全 pin 2 pin 兼容体积和走线,满足了客户的生产急需。
下面就产品的参数做些介绍。
可以满足IO信号的低电容要求,并且通过眼图测试。特别要注意PCB设计时的LAY OUT走线设计。
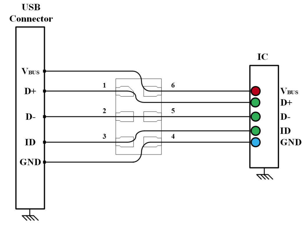
PCB 设计要领
必须采取措施正确放置ESD保护装置并进行信号追踪布线,以确保应用的最大ESD生存能力和信号完整性。下面列出了这些步骤。
1.将ESD保护装置尽可能靠近I/O连接器,以减少ESD对地和对地的路径提高保护性能。
1.1. 在USB 2.0应用中,ESD保护装置应置于交流耦合电容器之间和TX差速通道上的I/O连接器,如下图所示,在此配置中,无直流电流可通过ESD保护装置防止任何潜在的闭锁情况。更多信息
关于闭锁注意事项,请参见下图中的说明。
2.确保使用差分设计方法和所有高速信号记录道的阻抗匹配。
2.1. 尽可能使用弯曲的轨迹,以避免不必要的反射。
2.2. 保持差分数据通道正负行之间的记录道长度相等,以避免共模噪声产生和阻抗失配。
2.3. 在高速线对之间放置接地,并尽可能保持线对之间的距离,以减少串扰。
总结
雷卯电子致力于国产化,提供国外各品牌分立器件,保护器件替代,助力企业生产和设计,替代品牌如下,vishay onsemi littlefuse nxp semtech murata Toshiba rohm ti等。
发表评论
您的电子邮件地址将不会被发送邮件。*为必填字段标记
